- AIDE
- Mode d’emploi
- Paramètres des conditions de devis
- [Fraisage CNC] Paramètres de devis
- Ajout automatique des cotes et des tolérances dimensionnelles
Ajout automatique des cotes et des tolérances dimensionnelles
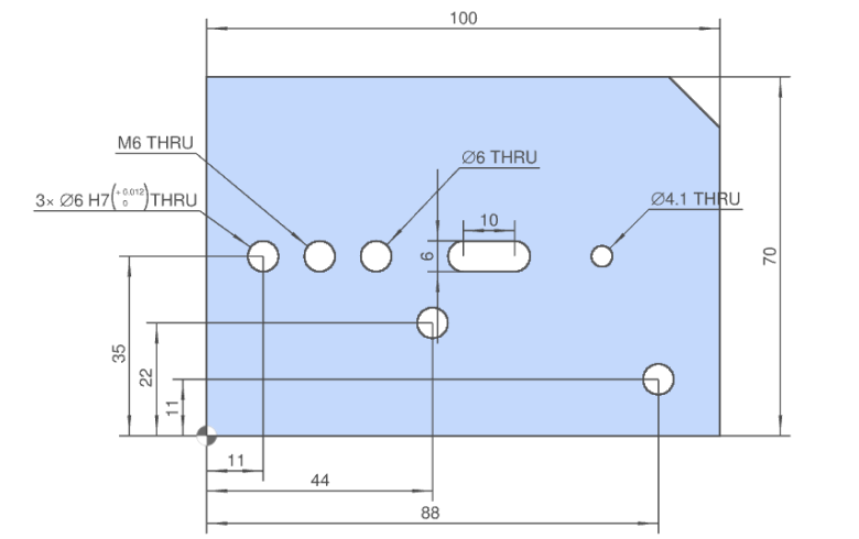
Cette option permet d’ajouter automatiquement des cotes de position ainsi que des tolérances dimensionnelles depuis l’origine vers les trous de précision lors du téléversement d’un modèle.
Il s’agit d’une fonctionnalité utile ne nécessitant aucune opération de configuration
Qu’est-ce que l’ajout automatique des cotes et des tolérances ?
Cette fonctionnalité ajoute automatiquement des cotes de position et des tolérances depuis l’origine vers les trous de précision lors du téléversement d’un modèle.
*Pour utiliser cette fonctionnalité, les paramètres de liaison des attributs de couleur CAO ou de liaison des attributs des trous sont requis.(Référence:Type de reconnaissance automatique du diamètre du trou/diamètre intérieur)
■Cotes de position depuis l’origine vers les trous de précision
■Tolérances de position depuis l’origine vers les trous de précision
Comment utiliser cette fonctionnalité
Configurez la liaison des attributs de couleur CAO ou la liaison des attributs des trous dans les paramètres utilisateur.
Pour des instructions détaillées, veuillez consulter la page du manuel utilisateur accessible via le lien.(Référence:Type de reconnaissance automatique du diamètre du trou/diamètre intérieur)
■Liaison des attributs de couleur
■Liaison des attributs de trou
Pour utiliser cette fonctionnalité, vous devez d’abord enregistrer vos paramètres utilisateur.
■ÉTAPE1 : Sélectionnez [ Ajout automatique des dimensions et des tolérances dimensionnelles ] dans les paramètres utilisateur.
■ÉTAPE2 : Sélectionnez « Définir les tolérances » ou « Ajouter uniquement les dimensions ».
Remarques
- Si vous souhaitez définir des tolérances dimensionnelles, cliquez sur « Définir les tolérances ».
- Si vous souhaitez uniquement ajouter les cotes, sélectionnez « Ajouter uniquement les dimensions ».
■ÉTAPE3 : Si vous avez sélectionné « Définir les tolérances », choisissez la valeur de tolérance.
Remarques
Si vous avez sélectionné « Ajouter uniquement les dimensions », il n’est pas possible de sélectionner des valeurs de tolérance.
■ÉTAPE4: Cliquez sur « Enregistrer les paramètres ».
Après avoir enregistré vos paramètres utilisateur, importez votre modèle sur meviy.
■ÉTAPE5 : Importez votre modèle sur meviy.
Attention
* Veuillez importer des modèles créés dans la CAO en utilisant les attributs de couleur ou les attributs de trou.
■ÉTAPE6 : Cliquez sur « Suivant » pour accéder à l’écran de devis.
Lorsque vous accédez à l’écran de devis, la tolérance de position enregistrée dans les paramètres utilisateur est automatiquement appliquée.
Précautions
- Pour utiliser cette fonctionnalité, vous devez configurer la liaison des attributs de couleur CAO ou la liaison des attributs des trous.(Référence:Type de reconnaissance automatique du diamètre du trou/diamètre intérieur)
- Si vous importez un modèle comportant plus de 100 trous de précision, cette fonctionnalité ne sera pas disponible.