- AYUDA
- Cómo usar
- Configuración de las condiciones del presupuesto
- [Fresado CNC] Configuración del presupuesto
- Insertar de manera automática dimensiones y tolerancias dimensionales
Insertar de manera automática dimensiones y tolerancias dimensionales
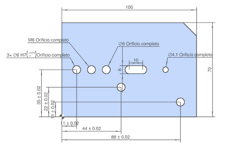
Esta función permite añadir automáticamente las dimensiones de distancia y sus tolerancias desde el origen hasta el orificio de precisión al cargar un modelo.
Es una función útil que puede configurarse sin necesidad de operaciones adicionales.
¿Qué es Insertar de manera automática dimensiones y tolerancias dimensionales?
Esta función permite añadir automáticamente las dimensiones de distancia y sus tolerancias desde el origen hasta el agujero de precisión al cargar el modelo.
*Para utilizar esta función, es necesario configurar la vinculación de atributos de color CAD o la vinculación de atributos de agujero.(Referencia:Reconocimiento automático del tipo de orificio/diametro interno)
■Dimensiones de distancia desde el origen hasta el agujero de precisión
■Tolerancia dimensional de distancia desde el origen hasta el agujero de precisión
Cómo usar esta función
Por favor, configura con antelación el enlace de atributos de color CAD o de atributos de agujeros.
Para ajustes detallados, consulta la página del manual a la derecha.(Referencia:Reconocimiento automático del tipo de orificio/diametro interno)
■Vinculación de atributos de color
■Vinculación de atributos de agujero
Primero, necesitas registrar tus preferencias de usuario para usar esta función.
■PASO1: Seleccione [ Suma automática de dimensiones y tolerancias dimensionales ] en la configuración de usuario.
■PASO2: Selecciona “EstablecerDefinir tolerancias” o “Añadir solo dimensiones”.
Notas
- Si quieres establecer tolerancias dimensionales, haz clic en EstablecerDefinir tolerancias.
- Si solo quieres añadir dimensiones, selecciona Añadir solo dimensiones.
■PASO3: Si seleccionas “EstablecerDefinir tolerancias”, selecciona el valor de tolerancia.
Notas
Si seleccionas Añadir solo dimensiones, no puedes seleccionar valores de tolerancia.
■PASO4: Haz clic en “Guardar configuración”.
Después de registrar la configuración de usuario, sube tu modelo a Meviy.
■PASO5: Sube tu modelo a Meviy.
Precaución
*Por favor, suba un modelo usando atributos de color o atributos de agujero en CAD.
■PASO6: Haz clic en “Siguiente” para acceder a la pantalla de presupuesto.
Al entrar en la pantalla de cotización, la tolerancia a la dimensión de distancia registrada en la configuración del usuario se establece automáticamente.
Indicación
- Para usar esta función, necesitas configurar el enlace de atributos de color CAD o el enlace de atributos de agujeros.(Referencia:Reconocimiento automático del tipo de orificio/diametro interno)
- Si subes un modelo con más de 100 agujeros de precisión, esta función no funcionará.